0335-5998197
News
地址:
電話:
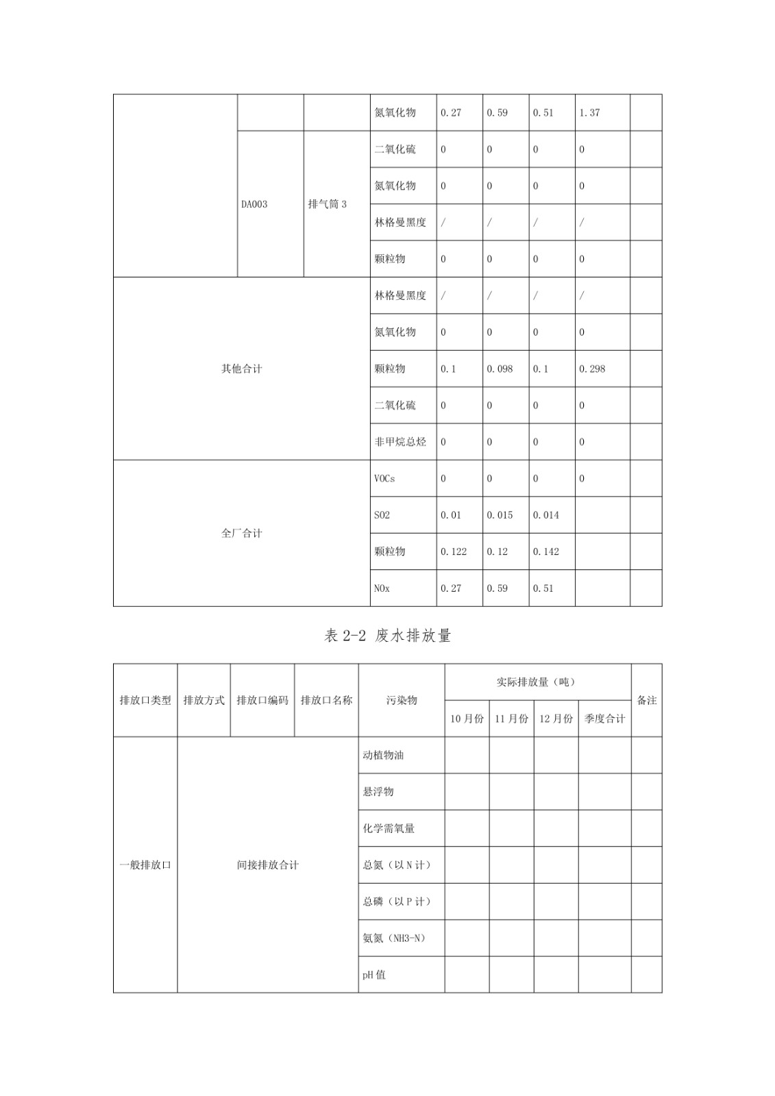
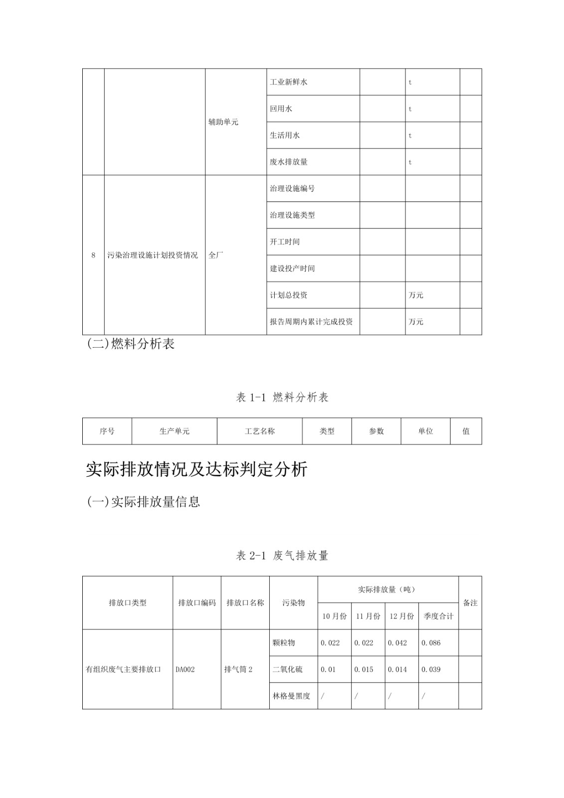
當前位置:首頁-資訊中心-2023年第四季度排污許可證
2024/03/07
上一條:危險廢物產生單位信息公開(2023年1-12月)
下一條:2023年第三季度排污許可證
版權所有:秦皇島安冶金屬工業有限公司 電話:0335-5998197
地址:河北省秦皇島市經濟技術開發區渤海西道4號 ICP備案編號:冀ICP備15018432號-1